nefunkcni svetla 147
nefunkcni svetla 147
ahoj kluci mam takovej problem z niceho nic prestali svitit predni potkavaci svetla na 147.jedno svittilo a druhe ne ale najednou nesviti ani jedno a kdyz tam dam zarovku okamzite schori i pojistka i zarovka.nevite cim to muze byt??neni trebna prilepene relatko??ale nevim ktere to je ani nevim poradne ktere pojistky jsou k tomu.zadni svetla svitej normalne.prosim pomozte :-)
Re: nefunkcni svetla 147
pojistky i relátka jsou popsány na krytech boxů pro relátka a dvířkách od pojistek
Re: nefunkcni svetla 147
prave ze to je jen u motoru ale pod volantem na tom deklu to nikde nemam :-(
Re: nefunkcni svetla 147
tak si stahni manual, jsou tu na nej adkazy
Re: nefunkcni svetla 147
musim ted hlidat deti ale nemohl by si mi poslat stranku kde to stahnu nebo rovnou jake jsou to pojistky at to nemusim hledat prosim?? dalkovy svitej jenom potkavacky nejdou.rekl bych ze to bude prilepeny rele
Re: nefunkcni svetla 147
tak pojistky jsem nasel ktery to jsou ale relatko nejak nemuzu dohledat :-(
- Princ William
- Štamgast
- Příspěvky: 526
- Registrován: 27.10.2010, stř 10:01
- Bydliště: Plzeň
Re: nefunkcni svetla 147
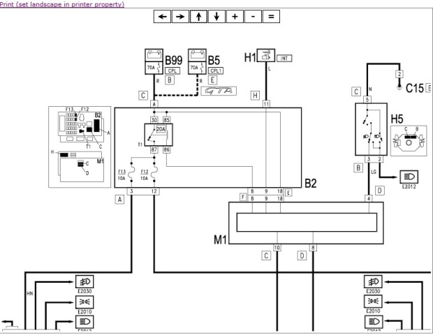
Relé na pozici T1, pojistky F12 a F13, obě mají hodnotu 10A. Vše je v pojitkovce pod volantem.
AR 147 QV, 1.6 TS 88 kW, 2009, 5d, Bianco Pastello HWB
Re: nefunkcni svetla 147
dobry vecer chcem sa spytat nejdumy stretavace svetla vsetky poistky aj relatka co som nasiel k svetlam som vymenil tak ako aj ziaROVKY VSETKO FUNGUJE LEN STRETAVACE SVETLA NIE HLASI ICH AKO ZAPATE ALE NESVIETIA.neviem uz si pomoct.
Kdo je online
Uživatelé prohlížející si toto fórum: Google [Bot] a 1 host
