čidlo tlaku a teploty oleje 2.5 V6
Re: čidlo tlaku a teploty oleje 2.5 V6
Par slibenych fotek... Vykresy musim vystrachnout. Btw. ty snimace nejsou tak blizko svodum, filtr je bliz plus ty svody maji zespod tepelny stit kvuli starteru.
'99 Alfa Romeo GTV 3.0 V6 24V Q2
- jouda
- Nováček
- Příspěvky: 201
- Registrován: 24.5.2010, pon 07:17
- Bydliště: Blatná (okr. Strakonice)
- Kontaktovat uživatele:
Re: čidlo tlaku a teploty oleje 2.5 V6
super, to vypada dobre. Nepamatujes si nahodou velikost a stoupani zavitu pro ty vlozky? myslim vnejsi, co jde do bloku?
Alfa Romeo 156 2.5 V6 140kW AKTUÁLNÍ
Alfa Romeo GTV 2.0TS LUSSO - GO kliky (zadrena klika) 170 000 PRODÁNO
Alfa Romeo 156 2.0TS Sport Packet III - CRASH 97 000
Alfa Romeo GTV 2.0TS LUSSO - GO kliky (zadrena klika) 170 000 PRODÁNO
Alfa Romeo 156 2.0TS Sport Packet III - CRASH 97 000
Re: čidlo tlaku a teploty oleje 2.5 V6
Jendo--ty máš ty svody obalený žáruvzdornou páskou --já sem možná ty "propálený "prachovky řízení od tepla od svodů nafotím :-)
Bez dodatečnýho obalení svodu žáruvzdornou páskou to nemá moc logiku..myslím ta "exaktní přesnost teploty " oproti umístění do pohodlnější pozice..
Kolik je teplota tepelný destrukce prachovky a ta je dole a fouká na ní v podstatě za jízdy, kolik je okolo neobalených svodů a v celým zadním stísněným prostoru si neumím úplně představit :-)
Bez dodatečnýho obalení svodu žáruvzdornou páskou to nemá moc logiku..myslím ta "exaktní přesnost teploty " oproti umístění do pohodlnější pozice..
Kolik je teplota tepelný destrukce prachovky a ta je dole a fouká na ní v podstatě za jízdy, kolik je okolo neobalených svodů a v celým zadním stísněným prostoru si neumím úplně představit :-)
Re: čidlo tlaku a teploty oleje 2.5 V6
Zkus jim napsat. Tyhle displeje se prodavaj v radach uni:
-Zelenožlutá (žlutozelené podsvícení, černá písmena)
- Modrobílá (modré podsvícení, bílá písmena)
- Černobílá (tmavé pozadí, bílá písmena)
- Černočervená (tmavé pozadí, červená písmena)
- Černozelená (tmavé pozadí, zelená písmena)
Zalezi jen na tom co se koupi a co se tam dá, problém vtom není cena je +/- 100kč stejná
-Zelenožlutá (žlutozelené podsvícení, černá písmena)
- Modrobílá (modré podsvícení, bílá písmena)
- Černobílá (tmavé pozadí, bílá písmena)
- Černočervená (tmavé pozadí, červená písmena)
- Černozelená (tmavé pozadí, zelená písmena)
Zalezi jen na tom co se koupi a co se tam dá, problém vtom není cena je +/- 100kč stejná
Limo* s bussem (166 3.0)
Ex: 156TS
Ex: 156TS
Re: čidlo tlaku a teploty oleje 2.5 V6
Honzo mas pravdu. Ta prachovka je bohuzel na ty vrchni strane kde zadnej tepelnej stit neni. Ital asi spechal v patek odpoledne domu...HonzaR píše:Jendo--ty máš ty svody obalený žáruvzdornou páskou --já sem možná ty "propálený "prachovky řízení od tepla od svodů nafotím :-)
Bez dodatečnýho obalení svodu žáruvzdornou páskou to nemá moc logiku..myslím ta "exaktní přesnost teploty " oproti umístění do pohodlnější pozice..
Kolik je teplota tepelný destrukce prachovky a ta je dole a fouká na ní v podstatě za jízdy, kolik je okolo neobalených svodů a v celým zadním stísněným prostoru si neumím úplně představit :-)
'99 Alfa Romeo GTV 3.0 V6 24V Q2
Re: čidlo tlaku a teploty oleje 2.5 V6
Takhle je to super 
- jouda
- Nováček
- Příspěvky: 201
- Registrován: 24.5.2010, pon 07:17
- Bydliště: Blatná (okr. Strakonice)
- Kontaktovat uživatele:
Re: čidlo tlaku a teploty oleje 2.5 V6
nooooo, ten filtr je hoooodne blizko. Se divim, ze tam aspon ital dal ten plechovy tepelny stit 
Alfa Romeo 156 2.5 V6 140kW AKTUÁLNÍ
Alfa Romeo GTV 2.0TS LUSSO - GO kliky (zadrena klika) 170 000 PRODÁNO
Alfa Romeo 156 2.0TS Sport Packet III - CRASH 97 000
Alfa Romeo GTV 2.0TS LUSSO - GO kliky (zadrena klika) 170 000 PRODÁNO
Alfa Romeo 156 2.0TS Sport Packet III - CRASH 97 000
- jouda
- Nováček
- Příspěvky: 201
- Registrován: 24.5.2010, pon 07:17
- Bydliště: Blatná (okr. Strakonice)
- Kontaktovat uživatele:
Re: čidlo tlaku a teploty oleje 2.5 V6
včera jsem koukal po zátce, jak psal Ladin 164V6
Na bloku se nachází zátka cca průměr 25mm (odhadem). Místa je všude dost a přístup je k tomu bezvadný. Nevěděl by náhodou někdo přesný rozměry toho závitu aby se dala vyrobit vložka na připojení?

Na bloku se nachází zátka cca průměr 25mm (odhadem). Místa je všude dost a přístup je k tomu bezvadný. Nevěděl by náhodou někdo přesný rozměry toho závitu aby se dala vyrobit vložka na připojení?
Alfa Romeo 156 2.5 V6 140kW AKTUÁLNÍ
Alfa Romeo GTV 2.0TS LUSSO - GO kliky (zadrena klika) 170 000 PRODÁNO
Alfa Romeo 156 2.0TS Sport Packet III - CRASH 97 000
Alfa Romeo GTV 2.0TS LUSSO - GO kliky (zadrena klika) 170 000 PRODÁNO
Alfa Romeo 156 2.0TS Sport Packet III - CRASH 97 000
Re: čidlo tlaku a teploty oleje 2.5 V6
V nejnovějším eperu (eper polska) občas ty zátky jsou popsané. Případně si zkopči číslo a hledej
Limo* s bussem (166 3.0)
Ex: 156TS
Ex: 156TS
- jouda
- Nováček
- Příspěvky: 201
- Registrován: 24.5.2010, pon 07:17
- Bydliště: Blatná (okr. Strakonice)
- Kontaktovat uživatele:
Re: čidlo tlaku a teploty oleje 2.5 V6
zkusim pohledat v eperech
jinak nasel jsem foto 3.0 V6 a tam je ta zatka pekne videt
Sla by tedy pouzit?
jinak nasel jsem foto 3.0 V6 a tam je ta zatka pekne videt
Sla by tedy pouzit?
Alfa Romeo 156 2.5 V6 140kW AKTUÁLNÍ
Alfa Romeo GTV 2.0TS LUSSO - GO kliky (zadrena klika) 170 000 PRODÁNO
Alfa Romeo 156 2.0TS Sport Packet III - CRASH 97 000
Alfa Romeo GTV 2.0TS LUSSO - GO kliky (zadrena klika) 170 000 PRODÁNO
Alfa Romeo 156 2.0TS Sport Packet III - CRASH 97 000
- jouda
- Nováček
- Příspěvky: 201
- Registrován: 24.5.2010, pon 07:17
- Bydliště: Blatná (okr. Strakonice)
- Kontaktovat uživatele:
Re: čidlo tlaku a teploty oleje 2.5 V6
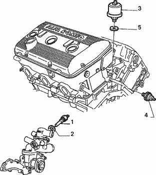
no a ted jsem nasel obrazek pro 2.0 V6 TB ale nevim, jestli to bude shodne pro 2.5 V6
Nebude to mozne tady instalovat? nikde nemuzu najit foto motoru 2.5 V6 z boku
Nebude to mozne tady instalovat? nikde nemuzu najit foto motoru 2.5 V6 z boku
Alfa Romeo 156 2.5 V6 140kW AKTUÁLNÍ
Alfa Romeo GTV 2.0TS LUSSO - GO kliky (zadrena klika) 170 000 PRODÁNO
Alfa Romeo 156 2.0TS Sport Packet III - CRASH 97 000
Alfa Romeo GTV 2.0TS LUSSO - GO kliky (zadrena klika) 170 000 PRODÁNO
Alfa Romeo 156 2.0TS Sport Packet III - CRASH 97 000
- Hampice
- SemTuFurt
- Příspěvky: 9164
- Registrován: 7.11.2009, sob 05:48
- Bydliště: Jesenice (Praha-západ)
Re: čidlo tlaku a teploty oleje 2.5 V6
Úplně stejně to mám na 3.0 12V.
Alfa Romeo 164 QV (1992)
Alfa Romeo Giulia 2.0T Super (2018)
Alfa Romeo Giulia 2.0T Super (2018)
- jouda
- Nováček
- Příspěvky: 201
- Registrován: 24.5.2010, pon 07:17
- Bydliště: Blatná (okr. Strakonice)
- Kontaktovat uživatele:
Re: čidlo tlaku a teploty oleje 2.5 V6
tak to vypada nadejnde. nema nahodou nekdo foto tohoto mista? kdyz to ma 3.0V6 a 2.0 V6 TB tak by to slo pouzit i na 2.5 V6 ne?
Alfa Romeo 156 2.5 V6 140kW AKTUÁLNÍ
Alfa Romeo GTV 2.0TS LUSSO - GO kliky (zadrena klika) 170 000 PRODÁNO
Alfa Romeo 156 2.0TS Sport Packet III - CRASH 97 000
Alfa Romeo GTV 2.0TS LUSSO - GO kliky (zadrena klika) 170 000 PRODÁNO
Alfa Romeo 156 2.0TS Sport Packet III - CRASH 97 000
Re: čidlo tlaku a teploty oleje 2.5 V6
Shoď hadice, to je práce na 20 minut a podívej se jak to tam je
Limo* s bussem (166 3.0)
Ex: 156TS
Ex: 156TS
- Ladin 164V6
- SemTuFurt
- Příspěvky: 5892
- Registrován: 15.1.2008, úte 15:52
- Bydliště: Karlovy Vary
Re: čidlo tlaku a teploty oleje 2.5 V6
V6 12V a V6TB maji jiny hlavy... Musis to brat jen z 24V. V tom ePeru to klame, ale mam to v realu zepredu hlavy. (to zluty je konektor). Vsadim se, ze tam ta zatka bude...
AR 164 3.0 24V Super 171kW Nero601 92' (Zombie - la machina arrogante)
Bmw 3er M3 3.2 Convertible Alpinweiss3 98'
Bmw 3er M3d2 SportWagon TitanSilber '06
Renault Kangoo 1.2 16V '08 :D
Vždycky všechno OFF...
Bmw 3er M3 3.2 Convertible Alpinweiss3 98'
Bmw 3er M3d2 SportWagon TitanSilber '06
Renault Kangoo 1.2 16V '08 :D
Vždycky všechno OFF...
- jouda
- Nováček
- Příspěvky: 201
- Registrován: 24.5.2010, pon 07:17
- Bydliště: Blatná (okr. Strakonice)
- Kontaktovat uživatele:
Re: čidlo tlaku a teploty oleje 2.5 V6
tak jsem koukal na predni hlavu a v miste, kde popisuje Ladin 164V6, tak tam mam jeden sroub. Ale i tato zatka je blizko, resp nad svodama. Ale pristup je velice dobry. Co jsem koukal do Eperu, tak samozdrejme o teto zatce neni ani zminka.
je tedy mozne pouzit tuto zatku pro sledovani tlaku a teploty?
je tedy mozne pouzit tuto zatku pro sledovani tlaku a teploty?
Alfa Romeo 156 2.5 V6 140kW AKTUÁLNÍ
Alfa Romeo GTV 2.0TS LUSSO - GO kliky (zadrena klika) 170 000 PRODÁNO
Alfa Romeo 156 2.0TS Sport Packet III - CRASH 97 000
Alfa Romeo GTV 2.0TS LUSSO - GO kliky (zadrena klika) 170 000 PRODÁNO
Alfa Romeo 156 2.0TS Sport Packet III - CRASH 97 000
- jouda
- Nováček
- Příspěvky: 201
- Registrován: 24.5.2010, pon 07:17
- Bydliště: Blatná (okr. Strakonice)
- Kontaktovat uživatele:
Re: čidlo tlaku a teploty oleje 2.5 V6
to JendaV6
ted jsem nasel zajimave reseni pro umisteni budiku na GTV:


ted jsem nasel zajimave reseni pro umisteni budiku na GTV:


Alfa Romeo 156 2.5 V6 140kW AKTUÁLNÍ
Alfa Romeo GTV 2.0TS LUSSO - GO kliky (zadrena klika) 170 000 PRODÁNO
Alfa Romeo 156 2.0TS Sport Packet III - CRASH 97 000
Alfa Romeo GTV 2.0TS LUSSO - GO kliky (zadrena klika) 170 000 PRODÁNO
Alfa Romeo 156 2.0TS Sport Packet III - CRASH 97 000
- yan.ko
- SemTuFurt
- Příspěvky: 1204
- Registrován: 7.1.2007, ned 02:44
- Bydliště: Ostrava
- Kontaktovat uživatele:
Re: čidlo tlaku a teploty oleje 2.5 V6
A nasel jsi i nejake jine zajimave misto pro umisteni tech ovladacich prvku?
Alfa Romeo Perfection
- jouda
- Nováček
- Příspěvky: 201
- Registrován: 24.5.2010, pon 07:17
- Bydliště: Blatná (okr. Strakonice)
- Kontaktovat uživatele:
Re: čidlo tlaku a teploty oleje 2.5 V6
tak by to mela byt tato zaslepka. myslite, ze by sla tedy pouzit? A nahodou rozmer zavitu by nikdo nevedel?
Alfa Romeo 156 2.5 V6 140kW AKTUÁLNÍ
Alfa Romeo GTV 2.0TS LUSSO - GO kliky (zadrena klika) 170 000 PRODÁNO
Alfa Romeo 156 2.0TS Sport Packet III - CRASH 97 000
Alfa Romeo GTV 2.0TS LUSSO - GO kliky (zadrena klika) 170 000 PRODÁNO
Alfa Romeo 156 2.0TS Sport Packet III - CRASH 97 000
Re: čidlo tlaku a teploty oleje 2.5 V6
Bez obalení svodu bude i tady celkem teplo jak svi.ně..
- jouda
- Nováček
- Příspěvky: 201
- Registrován: 24.5.2010, pon 07:17
- Bydliště: Blatná (okr. Strakonice)
- Kontaktovat uživatele:
Re: čidlo tlaku a teploty oleje 2.5 V6
no pokud mi nekdo potvrdí, že lze tady napojit čidla, tak si nechám vyrobit Y rozvodjku a nainstaluju je sem. Je tu lepší přístup a manipulace bude jednodušší. Ono nad těma svodama je teď tepelný štít, tak na začátek by to mohlo stačit a pak stejně dojde na obalení svodů termopáskou.
Alfa Romeo 156 2.5 V6 140kW AKTUÁLNÍ
Alfa Romeo GTV 2.0TS LUSSO - GO kliky (zadrena klika) 170 000 PRODÁNO
Alfa Romeo 156 2.0TS Sport Packet III - CRASH 97 000
Alfa Romeo GTV 2.0TS LUSSO - GO kliky (zadrena klika) 170 000 PRODÁNO
Alfa Romeo 156 2.0TS Sport Packet III - CRASH 97 000
- Kůrkyn
- SemTuFurt
- Příspěvky: 4916
- Registrován: 13.5.2007, ned 23:56
- Bydliště: Pacov
- Kontaktovat uživatele:
Re: čidlo tlaku a teploty oleje 2.5 V6
Sledovat teplotu oleje na hlavě je zavádějící, protože za studena tam má olej díky relativně nízkému průtoku podobnou teplotu jako voda. Podstatná je teplota oleje ve vaně a tím i teplota klikového hřídele, ojnic a den pístů. To je to, proč se teplota spodku sleduje - jestli jsou už všude provozní vůle a druhá věc je samozřejmě viskozita oleje, která se s teplotou mění.
- jouda
- Nováček
- Příspěvky: 201
- Registrován: 24.5.2010, pon 07:17
- Bydliště: Blatná (okr. Strakonice)
- Kontaktovat uživatele:
Re: čidlo tlaku a teploty oleje 2.5 V6
no taky mi to bylo divné, ale říkal jsem si, když ho tedy měla 164 24V jak psal Ladin 164V6, tak by to mohlo fungovat. Pak tedy není jiná možnost, než je umístit k olejovému filtru. Ale když to tady dřív fungovalo, tak by to mohlo i ted fungovat? Ale asi máš Kůrkyne pravdu, že měřit teploty na hlavě asi nebude to pravé ořechové.
Alfa Romeo 156 2.5 V6 140kW AKTUÁLNÍ
Alfa Romeo GTV 2.0TS LUSSO - GO kliky (zadrena klika) 170 000 PRODÁNO
Alfa Romeo 156 2.0TS Sport Packet III - CRASH 97 000
Alfa Romeo GTV 2.0TS LUSSO - GO kliky (zadrena klika) 170 000 PRODÁNO
Alfa Romeo 156 2.0TS Sport Packet III - CRASH 97 000
- Ladin 164V6
- SemTuFurt
- Příspěvky: 5892
- Registrován: 15.1.2008, úte 15:52
- Bydliště: Karlovy Vary
Re: čidlo tlaku a teploty oleje 2.5 V6
Jo to je ono, je to ale jen tlakomer, jestli je to vhodny misto na mereni teploty tezko rict. Kazdopadne snad to nenavrhovali zadni blbci...
Kazdopadne poznam ze je olej zahraty, kdyz po par km klesne jeho tlak...
Kazdopadne poznam ze je olej zahraty, kdyz po par km klesne jeho tlak...
AR 164 3.0 24V Super 171kW Nero601 92' (Zombie - la machina arrogante)
Bmw 3er M3 3.2 Convertible Alpinweiss3 98'
Bmw 3er M3d2 SportWagon TitanSilber '06
Renault Kangoo 1.2 16V '08 :D
Vždycky všechno OFF...
Bmw 3er M3 3.2 Convertible Alpinweiss3 98'
Bmw 3er M3d2 SportWagon TitanSilber '06
Renault Kangoo 1.2 16V '08 :D
Vždycky všechno OFF...
Kdo je online
Uživatelé prohlížející si toto fórum: Žádní registrovaní uživatelé a 2 hosti
