- d9b1ed30.png (22.42 KiB) Zobrazeno 2152 x
ukazatel teploty chladící kapaliny/oleje, čidlo, sahary Atp.
- Milano75
- SemTuFurt
- Příspěvky: 5150
- Registrován: 7.5.2008, stř 15:22
- Bydliště: Jihlava
- Kontaktovat uživatele:
ukazatel teploty chladící kapaliny/oleje, čidlo, sahary Atp.
zde malý návod jak an ukazatel teploty oleje:
Alfa Romeo 75 3.0 V6 QV America
Alfa Romeo 75 2,0TS
Alfa Romeo Alfetta GT 1,8 1975 + skelet 1981
Alfa Romoe 159 2,4JTDM SW TI
Alfa Romeo 75 2,0TS
Alfa Romeo Alfetta GT 1,8 1975 + skelet 1981
Alfa Romoe 159 2,4JTDM SW TI
- Milano75
- SemTuFurt
- Příspěvky: 5150
- Registrován: 7.5.2008, stř 15:22
- Bydliště: Jihlava
- Kontaktovat uživatele:
Re: ukazatel teploty chladící kapaliny/oleje, čidlo, sahary Atp.
a mám malej problémek
po výměny motoru mi nefachá ukazatel teploty vody
nový motor má čidlo s jedním vývodem a starý má dva vývody
takže sem starý pokusně zapojil a zjistil jsem, že to stejně nefunguje a že je pravděpodobně problém v budíky, to jsem zjistil výměnou kapličky- měl jsem dva- jedna nefachala a druhá ukazovala jen do 60°C a už mi sepla sahara
je to nějakej odborník na elektro????
po výměny motoru mi nefachá ukazatel teploty vody
nový motor má čidlo s jedním vývodem a starý má dva vývody
takže sem starý pokusně zapojil a zjistil jsem, že to stejně nefunguje a že je pravděpodobně problém v budíky, to jsem zjistil výměnou kapličky- měl jsem dva- jedna nefachala a druhá ukazovala jen do 60°C a už mi sepla sahara
je to nějakej odborník na elektro????
Alfa Romeo 75 3.0 V6 QV America
Alfa Romeo 75 2,0TS
Alfa Romeo Alfetta GT 1,8 1975 + skelet 1981
Alfa Romoe 159 2,4JTDM SW TI
Alfa Romeo 75 2,0TS
Alfa Romeo Alfetta GT 1,8 1975 + skelet 1981
Alfa Romoe 159 2,4JTDM SW TI
Re: ukazatel teploty chladící kapaliny/oleje, čidlo, sahary Atp.
poměř odpor starého čidla se kterým to chodilo a to nové a při stejné teplotě.... nejlíp pár hodin nechat ležet v pokojové teplotě a uvidíš.... není čidlo jako čidlo.... ty pro ŘJ mají jiné odpory
AR 155 1.8TS 8V
ex AR 75 2.0TS
LADA Niva 1.7 i.e. Praktik 1997
ex AR 75 2.0TS
LADA Niva 1.7 i.e. Praktik 1997
Re: ukazatel teploty chladící kapaliny/oleje, čidlo, sahary Atp.
Milane, dej sem odkaz na ty budíky, z těch tvých fotek je vidět kulové a taky mi není jasné co tam dělá ten žluty kabl co vede někam pod fotku...
vcelku zajímavé ale bez popisu to je vcelku na prd...
dík
vcelku zajímavé ale bez popisu to je vcelku na prd...
dík
Alfa: 146 1,9 JTD, 75 2.0TS, 75 1.8 ie, 75 1.8 carb, giulietta 1.6 carb
Fiat: 600, 850 BN, 850 Special, 850 Coupe, 133
Ducato Panorama, Combinato, Odtahový speciál
www.squadra-cs.cz
Fiat: 600, 850 BN, 850 Special, 850 Coupe, 133
Ducato Panorama, Combinato, Odtahový speciál
www.squadra-cs.cz
- Milano75
- SemTuFurt
- Příspěvky: 5150
- Registrován: 7.5.2008, stř 15:22
- Bydliště: Jihlava
- Kontaktovat uživatele:
Re: ukazatel teploty chladící kapaliny/oleje, čidlo, sahary Atp.
fotky lepší neseženeš, a ty popisky si najdi v google translate
Alfa Romeo 75 3.0 V6 QV America
Alfa Romeo 75 2,0TS
Alfa Romeo Alfetta GT 1,8 1975 + skelet 1981
Alfa Romoe 159 2,4JTDM SW TI
Alfa Romeo 75 2,0TS
Alfa Romeo Alfetta GT 1,8 1975 + skelet 1981
Alfa Romoe 159 2,4JTDM SW TI
Re: ukazatel teploty chladící kapaliny/oleje, čidlo, sahary Atp.
To jsi mi teda pomohl..
kop tě do kulí :-P hoď sem odkaz nebuď labuť :-)
Alfa: 146 1,9 JTD, 75 2.0TS, 75 1.8 ie, 75 1.8 carb, giulietta 1.6 carb
Fiat: 600, 850 BN, 850 Special, 850 Coupe, 133
Ducato Panorama, Combinato, Odtahový speciál
www.squadra-cs.cz
Fiat: 600, 850 BN, 850 Special, 850 Coupe, 133
Ducato Panorama, Combinato, Odtahový speciál
www.squadra-cs.cz
- Milano75
- SemTuFurt
- Příspěvky: 5150
- Registrován: 7.5.2008, stř 15:22
- Bydliště: Jihlava
- Kontaktovat uživatele:
Re: ukazatel teploty chladící kapaliny/oleje, čidlo, sahary Atp.
právě už nevím odkud to mám 
Alfa Romeo 75 3.0 V6 QV America
Alfa Romeo 75 2,0TS
Alfa Romeo Alfetta GT 1,8 1975 + skelet 1981
Alfa Romoe 159 2,4JTDM SW TI
Alfa Romeo 75 2,0TS
Alfa Romeo Alfetta GT 1,8 1975 + skelet 1981
Alfa Romoe 159 2,4JTDM SW TI
- Milano75
- SemTuFurt
- Příspěvky: 5150
- Registrován: 7.5.2008, stř 15:22
- Bydliště: Jihlava
- Kontaktovat uživatele:
Re: ukazatel teploty chladící kapaliny/oleje, čidlo, sahary Atp.
Sejny píše:poměř odpor starého čidla se kterým to chodilo a to nové a při stejné teplotě.... nejlíp pár hodin nechat ležet v pokojové teplotě a uvidíš.... není čidlo jako čidlo.... ty pro ŘJ mají jiné odpory
staré čidlo má dva vývody a nové jeden
takže zapojit to nelze, respektive nevím jak
Alfa Romeo 75 3.0 V6 QV America
Alfa Romeo 75 2,0TS
Alfa Romeo Alfetta GT 1,8 1975 + skelet 1981
Alfa Romoe 159 2,4JTDM SW TI
Alfa Romeo 75 2,0TS
Alfa Romeo Alfetta GT 1,8 1975 + skelet 1981
Alfa Romoe 159 2,4JTDM SW TI
Re: ukazatel teploty chladící kapaliny/oleje, čidlo, sahary Atp.
Proč z toho dělat vědu, je to primitivní.... budík v palubce má tři vývody.... kostra, signál z čidla a plus za klíčkem...
čidlo má dva vývody: kostra a signál do budíku.... Ta kostra může být na tělese čidla, pak je ukostřeno na blok motoru, anebo může být vyvedená na svorku, pak k čidlu vedou dva dráty.
Směrodatná hodnota pro to aby čidlo fungovalo je jeho odpor, ten se mění s teplotou. Takže.... vem čidlo, které ti s tvým budíkem fungovalo správně a změř jeho odpor při pokojové teplotě, totéž udělej s čidlem, které máš v motoru, jelikož to nefunguje tak asi naměříš jiný odpor.
Takže, potřebuješ sehnat čidlo, které ti půjde zašroubovat do motoru a zároveň aby mělo shodný odpor jako to původní, pak bude budík fungovat správně. Provedení vývodů neřeš.... jeden bude kostra a druhý signál. Takže když budeš mít dvouvývodové čidlo a jen jeden drát tak jednu svorku čidla prostě uzemníš a na druhou připojíš drát od budíku.... Jasné?
čidlo má dva vývody: kostra a signál do budíku.... Ta kostra může být na tělese čidla, pak je ukostřeno na blok motoru, anebo může být vyvedená na svorku, pak k čidlu vedou dva dráty.
Směrodatná hodnota pro to aby čidlo fungovalo je jeho odpor, ten se mění s teplotou. Takže.... vem čidlo, které ti s tvým budíkem fungovalo správně a změř jeho odpor při pokojové teplotě, totéž udělej s čidlem, které máš v motoru, jelikož to nefunguje tak asi naměříš jiný odpor.
Takže, potřebuješ sehnat čidlo, které ti půjde zašroubovat do motoru a zároveň aby mělo shodný odpor jako to původní, pak bude budík fungovat správně. Provedení vývodů neřeš.... jeden bude kostra a druhý signál. Takže když budeš mít dvouvývodové čidlo a jen jeden drát tak jednu svorku čidla prostě uzemníš a na druhou připojíš drát od budíku.... Jasné?
AR 155 1.8TS 8V
ex AR 75 2.0TS
LADA Niva 1.7 i.e. Praktik 1997
ex AR 75 2.0TS
LADA Niva 1.7 i.e. Praktik 1997
- Milano75
- SemTuFurt
- Příspěvky: 5150
- Registrován: 7.5.2008, stř 15:22
- Bydliště: Jihlava
- Kontaktovat uživatele:
Re: ukazatel teploty chladící kapaliny/oleje, čidlo, sahary Atp.
nové čidlo má kostru přes blok a jeden vývod
problém momentální je, že po zapojení původního čidla to neukazuje teplotu, po výměně budíků za jiné to ukazuje max 60°C (pak už sepnou sahary)
pokud skusím 3tí kapličku tak to opět nic neukazuje
tak
Alfa Romeo 75 3.0 V6 QV America
Alfa Romeo 75 2,0TS
Alfa Romeo Alfetta GT 1,8 1975 + skelet 1981
Alfa Romoe 159 2,4JTDM SW TI
Alfa Romeo 75 2,0TS
Alfa Romeo Alfetta GT 1,8 1975 + skelet 1981
Alfa Romoe 159 2,4JTDM SW TI
- Milano75
- SemTuFurt
- Příspěvky: 5150
- Registrován: 7.5.2008, stř 15:22
- Bydliště: Jihlava
- Kontaktovat uživatele:
Re: ukazatel teploty chladící kapaliny/oleje, čidlo, sahary Atp.
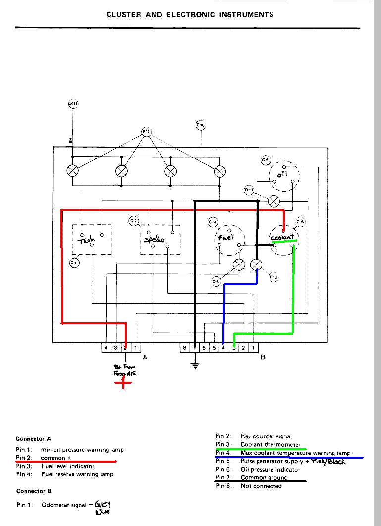
řekl bych, že podle tohoto manuálu má čidlo na teplotu vody dva vývody a jeden značí max přehřátí tzn. červenou kontrolku a druhý čistě ukazatel teploty
ale možná se pletu
http://alfa.alfaclub.nl/~alfa75/manuals ... system.pdf
ale možná se pletu
http://alfa.alfaclub.nl/~alfa75/manuals ... system.pdf
Alfa Romeo 75 3.0 V6 QV America
Alfa Romeo 75 2,0TS
Alfa Romeo Alfetta GT 1,8 1975 + skelet 1981
Alfa Romoe 159 2,4JTDM SW TI
Alfa Romeo 75 2,0TS
Alfa Romeo Alfetta GT 1,8 1975 + skelet 1981
Alfa Romoe 159 2,4JTDM SW TI
Re: ukazatel teploty chladící kapaliny/oleje, čidlo, sahary Atp.
u 33 a i u 75 jsem měl vždy čidlo teploty a čidlo nebezpečnýho přehřátí zvlášť. Je mi podivný, že by bylo čidlo takto kombinované. Vem multimetr a měř.
AR 155 1.8TS 8V
ex AR 75 2.0TS
LADA Niva 1.7 i.e. Praktik 1997
ex AR 75 2.0TS
LADA Niva 1.7 i.e. Praktik 1997
- Milano75
- SemTuFurt
- Příspěvky: 5150
- Registrován: 7.5.2008, stř 15:22
- Bydliště: Jihlava
- Kontaktovat uživatele:
Re: ukazatel teploty chladící kapaliny/oleje, čidlo, sahary Atp.
v tom mě došli baterky
, takže až v neděli na to mrknu, ale když se podíváš na ten manuál tak to tak vypadá, že čidlo je združené
nicméně to nevysvětluje pro mi nejde
teoreticky když u ohřátého motoru vytáhneš jeden drát a bude to ten na max. teplotu, tak by ti to mělo stále ukazovat aktuál teplotu chladící kapaliny
nicméně to nevysvětluje pro mi nejde
teoreticky když u ohřátého motoru vytáhneš jeden drát a bude to ten na max. teplotu, tak by ti to mělo stále ukazovat aktuál teplotu chladící kapaliny
Alfa Romeo 75 3.0 V6 QV America
Alfa Romeo 75 2,0TS
Alfa Romeo Alfetta GT 1,8 1975 + skelet 1981
Alfa Romoe 159 2,4JTDM SW TI
Alfa Romeo 75 2,0TS
Alfa Romeo Alfetta GT 1,8 1975 + skelet 1981
Alfa Romoe 159 2,4JTDM SW TI
Re: ukazatel teploty chladící kapaliny/oleje, čidlo, sahary Atp.
Milane, zrob to jednoduše :-) přehoď dratek tlaku oleje v motoru a teplotního čidla :-) zjistíš jestli máš v prdeli čidlo nebo tu ručičku na budíku v důchodě :-)
když se mi podařilo po festdlouhé šichtě v garáži omylem přehodit tyhle dvě srandy tak mi to fungovalo vcelku luxusně ale naopak
když se mi podařilo po festdlouhé šichtě v garáži omylem přehodit tyhle dvě srandy tak mi to fungovalo vcelku luxusně ale naopak
Alfa: 146 1,9 JTD, 75 2.0TS, 75 1.8 ie, 75 1.8 carb, giulietta 1.6 carb
Fiat: 600, 850 BN, 850 Special, 850 Coupe, 133
Ducato Panorama, Combinato, Odtahový speciál
www.squadra-cs.cz
Fiat: 600, 850 BN, 850 Special, 850 Coupe, 133
Ducato Panorama, Combinato, Odtahový speciál
www.squadra-cs.cz
- Milano75
- SemTuFurt
- Příspěvky: 5150
- Registrován: 7.5.2008, stř 15:22
- Bydliště: Jihlava
- Kontaktovat uživatele:
Re: ukazatel teploty chladící kapaliny/oleje, čidlo, sahary Atp.
Alfa Romeo 75 3.0 V6 QV America
Alfa Romeo 75 2,0TS
Alfa Romeo Alfetta GT 1,8 1975 + skelet 1981
Alfa Romoe 159 2,4JTDM SW TI
Alfa Romeo 75 2,0TS
Alfa Romeo Alfetta GT 1,8 1975 + skelet 1981
Alfa Romoe 159 2,4JTDM SW TI
Re: ukazatel teploty chladící kapaliny/oleje, čidlo, sahary Atp.
ta indikace nebezpečnýho přehřátí je obyčejný spínač.... takže pokud to nebude zapojený tak se nebude nic dít a teplotu to bude ukazovat normálně.
AR 155 1.8TS 8V
ex AR 75 2.0TS
LADA Niva 1.7 i.e. Praktik 1997
ex AR 75 2.0TS
LADA Niva 1.7 i.e. Praktik 1997
- Milano75
- SemTuFurt
- Příspěvky: 5150
- Registrován: 7.5.2008, stř 15:22
- Bydliště: Jihlava
- Kontaktovat uživatele:
Re: ukazatel teploty chladící kapaliny/oleje, čidlo, sahary Atp.
takže:
napojeno náhradní čidlo-s původníma budíkama teplotu neukazují a s jinýma budíkama(kapličkou) teplotu to ukazuje
budík, který momentálně nic neukazuje jsem tedy napojil na tlakové čidlo na olej a fakčilo to, ale prostě netuším co s tím je, pravděpodobně bude chyba v budíkách, ale zase co by se potento, když sem jen vyměnil motor
osobně, kdyby ta funkční kaplička byla lépe čitelná tak jí tam nechám, ale je to ten starej typ, kterej se mě nelíbý
napojeno náhradní čidlo-s původníma budíkama teplotu neukazují a s jinýma budíkama(kapličkou) teplotu to ukazuje
budík, který momentálně nic neukazuje jsem tedy napojil na tlakové čidlo na olej a fakčilo to, ale prostě netuším co s tím je, pravděpodobně bude chyba v budíkách, ale zase co by se potento, když sem jen vyměnil motor
osobně, kdyby ta funkční kaplička byla lépe čitelná tak jí tam nechám, ale je to ten starej typ, kterej se mě nelíbý
Alfa Romeo 75 3.0 V6 QV America
Alfa Romeo 75 2,0TS
Alfa Romeo Alfetta GT 1,8 1975 + skelet 1981
Alfa Romoe 159 2,4JTDM SW TI
Alfa Romeo 75 2,0TS
Alfa Romeo Alfetta GT 1,8 1975 + skelet 1981
Alfa Romoe 159 2,4JTDM SW TI
- Milano75
- SemTuFurt
- Příspěvky: 5150
- Registrován: 7.5.2008, stř 15:22
- Bydliště: Jihlava
- Kontaktovat uživatele:
Re: ukazatel teploty chladící kapaliny/oleje, čidlo, sahary Atp.
nějaké malé foto
nic méně nechápu, proč to stále neukazuje teplotu motoru
nic méně nechápu, proč to stále neukazuje teplotu motoru
Alfa Romeo 75 3.0 V6 QV America
Alfa Romeo 75 2,0TS
Alfa Romeo Alfetta GT 1,8 1975 + skelet 1981
Alfa Romoe 159 2,4JTDM SW TI
Alfa Romeo 75 2,0TS
Alfa Romeo Alfetta GT 1,8 1975 + skelet 1981
Alfa Romoe 159 2,4JTDM SW TI
- Milano75
- SemTuFurt
- Příspěvky: 5150
- Registrován: 7.5.2008, stř 15:22
- Bydliště: Jihlava
- Kontaktovat uživatele:
Re: ukazatel teploty chladící kapaliny/oleje, čidlo, sahary Atp.
tak, problém byl asi v čidle teploty, takže objednáno nové z alfy 155
výrobce čidla je ze španělska
http://fae.es/es/fabricante-recambios-e ... catalogos/
výrobce čidla je ze španělska
http://fae.es/es/fabricante-recambios-e ... catalogos/
Alfa Romeo 75 3.0 V6 QV America
Alfa Romeo 75 2,0TS
Alfa Romeo Alfetta GT 1,8 1975 + skelet 1981
Alfa Romoe 159 2,4JTDM SW TI
Alfa Romeo 75 2,0TS
Alfa Romeo Alfetta GT 1,8 1975 + skelet 1981
Alfa Romoe 159 2,4JTDM SW TI
- Milano75
- SemTuFurt
- Příspěvky: 5150
- Registrován: 7.5.2008, stř 15:22
- Bydliště: Jihlava
- Kontaktovat uživatele:
Re: ukazatel teploty chladící kapaliny/oleje, čidlo, sahary Atp.
takže celá věc byla v čidle, co sem vyndal původní tak to i vypadá, že hlídalo jen max teplotu
ted vše funguje
ted vše funguje
Alfa Romeo 75 3.0 V6 QV America
Alfa Romeo 75 2,0TS
Alfa Romeo Alfetta GT 1,8 1975 + skelet 1981
Alfa Romoe 159 2,4JTDM SW TI
Alfa Romeo 75 2,0TS
Alfa Romeo Alfetta GT 1,8 1975 + skelet 1981
Alfa Romoe 159 2,4JTDM SW TI
Kdo je online
Uživatelé prohlížející si toto fórum: Žádní registrovaní uživatelé a 0 hostů
