pripojeni zesilovace
Re: pripojeni zesilovace
fero. trosku som sa v tom zamotal. ides nalozit do kufra zosik? trosku mi to objasni a mrknem ti v schemach ktory kabel je remote.
Alfa Romeo 156 GTA momentálne v kompletnej rekonštrukcii
ex.Alfa Romeo 156sw 3.0V6 24v
ex.Alfa Romeo 156fl 2.4jtdm20V
ex.Lancia Thesis 3.0v6 24v
ex.Alfa Romeo 156sw 1.9jtd 85kw
ex.Alfa Romeo 147 1.9jtd 85kw
ex.Lancia Thesis Emblema 2.4jtd 20v
ex.Alfa Romeo 156sw 3.0V6 24v
ex.Alfa Romeo 156fl 2.4jtdm20V
ex.Lancia Thesis 3.0v6 24v
ex.Alfa Romeo 156sw 1.9jtd 85kw
ex.Alfa Romeo 147 1.9jtd 85kw
ex.Lancia Thesis Emblema 2.4jtd 20v
Re: pripojeni zesilovace
:-) vsak zosik. Kabel co ma cince uz je aute. Mini konektor uz mam len ma 5 cincov. 4repro a 1 subwoofer. Potrebujem este remote pohľadať na aby som ho zapol ked zapnem rádio. Plus je od baterky. Kedto pôe tak bude tuc tuc :-)
Re: pripojeni zesilovace
REMOTE by mal byt pin 6 na tom mini ISO
Alfa Romeo 156 GTA momentálne v kompletnej rekonštrukcii
ex.Alfa Romeo 156sw 3.0V6 24v
ex.Alfa Romeo 156fl 2.4jtdm20V
ex.Lancia Thesis 3.0v6 24v
ex.Alfa Romeo 156sw 1.9jtd 85kw
ex.Alfa Romeo 147 1.9jtd 85kw
ex.Lancia Thesis Emblema 2.4jtd 20v
ex.Alfa Romeo 156sw 3.0V6 24v
ex.Alfa Romeo 156fl 2.4jtdm20V
ex.Lancia Thesis 3.0v6 24v
ex.Alfa Romeo 156sw 1.9jtd 85kw
ex.Alfa Romeo 147 1.9jtd 85kw
ex.Lancia Thesis Emblema 2.4jtd 20v
Re: pripojeni zesilovace
Dakujem potom kuknem.
Re: pripojeni zesilovace
Hmm mam to pozret na tom konektore alebo na ics . Na konektore nemam čísla.
Re: pripojeni zesilovace
Asi ťa sklamem ale kúpil si zlý mini iso konektor.
Mal si kúpiť tento kde je remote vývod a nie vývod na subwoofer

+ ešte 3 pin v tomto konektore asi neni obsadený čo je kostra na linkový výstup takže musíš aj to ešte dorobiť.
Ale ináč ten čo si kúpil tak sa dá prerobiť ten subwoofer výstup dať preč a dať tam ten remote výstup na pin6
Podľa tohoto si uprav ten mini iso konektor, je to pohľad na ICS zo zadu tie čísla slabo vidno ale keď si dáš zoom tak to vidno.

Mal si kúpiť tento kde je remote vývod a nie vývod na subwoofer
+ ešte 3 pin v tomto konektore asi neni obsadený čo je kostra na linkový výstup takže musíš aj to ešte dorobiť.
Ale ináč ten čo si kúpil tak sa dá prerobiť ten subwoofer výstup dať preč a dať tam ten remote výstup na pin6
Podľa tohoto si uprav ten mini iso konektor, je to pohľad na ICS zo zadu tie čísla slabo vidno ale keď si dáš zoom tak to vidno.

Naposledy upravil(a) MiCo147 dne 7.3.2013, čtv 22:50, celkem upraveno 1 x.
Alfa Romeo 147 2,0 TS
Alfa Romeo 166 2,4 JTD
Fiat Marea Weekend 1,6
Alfa Romeo 33 1,7 IE
Fiat Ritmo 1,7 D
Alfa Romeo 166 2,4 JTD
Fiat Marea Weekend 1,6
Alfa Romeo 33 1,7 IE
Fiat Ritmo 1,7 D
Re: pripojeni zesilovace
Ok dakujem. Pohode to poprepajam hlavne ze mam ten konektor. Inak sa mi nezdal ked prisiel lebo pôvodne som objednal ten remote.
Re: pripojeni zesilovace
A nezabudni ešte ten pin č.3 dorobiť ak tam neni lebo ti bude dunieť keď pripojíš činče na zosík.Ja som to ukostril o ICS keďže som si vyrábal sám ten mini iso konektor.
Naposledy upravil(a) MiCo147 dne 7.3.2013, čtv 22:52, celkem upraveno 1 x.
Alfa Romeo 147 2,0 TS
Alfa Romeo 166 2,4 JTD
Fiat Marea Weekend 1,6
Alfa Romeo 33 1,7 IE
Fiat Ritmo 1,7 D
Alfa Romeo 166 2,4 JTD
Fiat Marea Weekend 1,6
Alfa Romeo 33 1,7 IE
Fiat Ritmo 1,7 D
Re: pripojeni zesilovace
Ďakovala :-) to som potreboval ten obrázok.
Re: pripojeni zesilovace
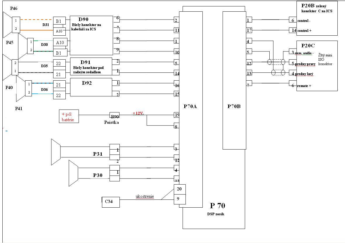
C34 - ukostrenie ICS pod stredovym tunelom
B90- poistka napajania zosilnovaca
P20 - ICS
P20C - mini ISO
P20B/E60B - zeleny konektor C na ICS
D90- biely konektor na kablovom zvazku za ICS
D91 -biely konektor na kablovom zvazku na lavej strane pod zadnym sedadlom
D92- konektor na pravej strane na zadnom konci stredoveho tunela
D30- prechodka lave predne dvere
D31- prechodka prave predne dvere
D35- prechodka lave zadne dvere
D36- prechodka prave zadne dvere
P35- lavy predny stredobas
P45- lavy predny vyskac
P36- pravy predny stredobas
P46- pravy predny vyskac
P40- lavy zadny stredobas
P47- lavy zadny vyskac
P41- pravy zadny stredobas
P48- pravy zadny vyskac
P30- lavy zadny basak v plate
P31- pravý zadny basak v plate
P70- DSP zosilnovac
P70A- biely konektor na zosilnovaci
P70B - cierny konektor na zosilnovaci
B90- poistka napajania zosilnovaca
P20 - ICS
P20C - mini ISO
P20B/E60B - zeleny konektor C na ICS
D90- biely konektor na kablovom zvazku za ICS
D91 -biely konektor na kablovom zvazku na lavej strane pod zadnym sedadlom
D92- konektor na pravej strane na zadnom konci stredoveho tunela
D30- prechodka lave predne dvere
D31- prechodka prave predne dvere
D35- prechodka lave zadne dvere
D36- prechodka prave zadne dvere
P35- lavy predny stredobas
P45- lavy predny vyskac
P36- pravy predny stredobas
P46- pravy predny vyskac
P40- lavy zadny stredobas
P47- lavy zadny vyskac
P41- pravy zadny stredobas
P48- pravy zadny vyskac
P30- lavy zadny basak v plate
P31- pravý zadny basak v plate
P70- DSP zosilnovac
P70A- biely konektor na zosilnovaci
P70B - cierny konektor na zosilnovaci
Alfa Romeo 156 GTA momentálne v kompletnej rekonštrukcii
ex.Alfa Romeo 156sw 3.0V6 24v
ex.Alfa Romeo 156fl 2.4jtdm20V
ex.Lancia Thesis 3.0v6 24v
ex.Alfa Romeo 156sw 1.9jtd 85kw
ex.Alfa Romeo 147 1.9jtd 85kw
ex.Lancia Thesis Emblema 2.4jtd 20v
ex.Alfa Romeo 156sw 3.0V6 24v
ex.Alfa Romeo 156fl 2.4jtdm20V
ex.Lancia Thesis 3.0v6 24v
ex.Alfa Romeo 156sw 1.9jtd 85kw
ex.Alfa Romeo 147 1.9jtd 85kw
ex.Lancia Thesis Emblema 2.4jtd 20v
- lada.blaha
- Štamgast
- Příspěvky: 524
- Registrován: 27.5.2011, pát 22:56
- Bydliště: Ústí nad Labem
- Kontaktovat uživatele:
Re: pripojeni zesilovace
Hm takže teoreticky bych mohl podle tohoto schématu dodělat neoriginální zesilovač na originální kabel? Pravděpodobně mi odešel jeden výstup na SW na DSP zesilovači (SW po připojení na jiný zdroj normálně hraje). Dlouho sem laboroval jak to do alfy dodělat ale pak sem se začal patlat s origo zesilovačem a je mi líto to vyhodit a dodělat tam něco jinýho.
Alfa Romeo 166 3,0 V6
Fiat Seicento Sporting
Škoda 110R
Fiat Seicento Sporting
Škoda 110R
Re: pripojeni zesilovace
ahoj kamarádi Alfáci,najde se mezi váma někdo hodnej,kdo mě zapojí do Alfx zesilovač a subwoofer z okolí Jeseníku,nechci to dávat někam,kdo neumí vyndat ani ics,díky moc 
- AlfaBitrin166
- Příspěvky: 54
- Registrován: 14.8.2014, čtv 00:18
Re: pripojeni zesilovace
Ahoj, už máš vyřešený ten subwofer? Kdyby ne dej echo zapojím ti to, zapojoval jsem si to taky sám, není na tom nic těžkého, sice nevím proč každý řešil nějaký iso malý konektor apod.
Já jsem si přivedl normálně impuls od rádia po klíčku, minus a plus je jasný a cinc jsem vyvedl z výstupu do drátů pro repro a je vymalované.
Nic mi nepíská a nehučí.
Já jsem si přivedl normálně impuls od rádia po klíčku, minus a plus je jasný a cinc jsem vyvedl z výstupu do drátů pro repro a je vymalované.
Nic mi nepíská a nehučí.
vše na motorky za oplátku něco na moji alfu 166 2.4JTD 100kw:-)
Re: pripojeni zesilovace
Niektoré zosilňovače majú 2x vstup. Jeden vysoký že môžeš ho prepojiť Z repraku káble a niektoré máju len nízky vstup tak potrebuješ cince. Preto ta mini iso koncovka. :-) ak je to inak tak sorry :-) len som doplnal tému :-)
- AlfaBitrin166
- Příspěvky: 54
- Registrován: 14.8.2014, čtv 00:18
Re: pripojeni zesilovace
To je možné, mám ho taky v zesilovači, vždy jsem si říkal k čemu to tam je
.
vše na motorky za oplátku něco na moji alfu 166 2.4JTD 100kw:-)
- netopirek1
- Příspěvky: 7
- Registrován: 31.7.2014, čtv 21:21
- Bydliště: 95501, Topolcany, Slovakia
Re: pripojeni zesilovace
nazdar, mam stary zosik s HI INPUT, viete poradit ktory pin kde napojit? Nechce sa mi tahat kable az od radia, mam origo zosik aj basaky v plate, chcel by som to trosku vylepsit
ostal mi 400W RMS basak zo stareho auta
Tak asi najblizsie to je k nim napojit k tym basakom v plate? - to su 4 kabliky, a este ostavaju 2 piny na tom konektore. Otazka ktory mam kde napinovat, nejaka schema na ten konektor keby je.. google nasiel takyto obrazok, lave dva biele budu jeden repro? ktory + a ktory - ? a prave dva biele druhy reprak? kostra dole v strede? staci tak zapojit? nerad by som nieco odpalil...
+nemam k zosiku koncovku na ten HI input, rozmyslam ze by tam pasovala aj nejaka z PC podobna.. Obchody na nete to nepredavaju alebo aspon nenasiel som nic take
Tak asi najblizsie to je k nim napojit k tym basakom v plate? - to su 4 kabliky, a este ostavaju 2 piny na tom konektore. Otazka ktory mam kde napinovat, nejaka schema na ten konektor keby je.. google nasiel takyto obrazok, lave dva biele budu jeden repro? ktory + a ktory - ? a prave dva biele druhy reprak? kostra dole v strede? staci tak zapojit? nerad by som nieco odpalil...
+nemam k zosiku koncovku na ten HI input, rozmyslam ze by tam pasovala aj nejaka z PC podobna.. Obchody na nete to nepredavaju alebo aspon nenasiel som nic take
Alfa Romeo 166 2,4 JTD 2014-...
Fiat Bravo 1,6 16V 2006-2014
Fiat Bravo 1,6 16V 2006-2014
Re: pripojeni zesilovace
Pokial mas dsp a chces tam dorobit iny zosik, budes muset dsp odpojit. Procesor ti bude uberat hlas a basy na tom dopojenom zosiku.
Alfa Romeo 156 GTA momentálne v kompletnej rekonštrukcii
ex.Alfa Romeo 156sw 3.0V6 24v
ex.Alfa Romeo 156fl 2.4jtdm20V
ex.Lancia Thesis 3.0v6 24v
ex.Alfa Romeo 156sw 1.9jtd 85kw
ex.Alfa Romeo 147 1.9jtd 85kw
ex.Lancia Thesis Emblema 2.4jtd 20v
ex.Alfa Romeo 156sw 3.0V6 24v
ex.Alfa Romeo 156fl 2.4jtdm20V
ex.Lancia Thesis 3.0v6 24v
ex.Alfa Romeo 156sw 1.9jtd 85kw
ex.Alfa Romeo 147 1.9jtd 85kw
ex.Lancia Thesis Emblema 2.4jtd 20v
Re: pripojeni zesilovace
tak použij normál nějakou kabelou sadu + třeba highlow https://www.2din.cz/high-low-adaptery/ns-60-nf-adapter/ a u 400W v RMS pokud ti to utáhne i zesik tak bych si možná zamyslel i nad kapacitorem
Kdo je online
Uživatelé prohlížející si toto fórum: Bing [Bot], Majestic-12 [Bot] a 2 hosti
